2004 expedition sunroof diagram wiring schematic

My Power Windows and Sunroof Do Not Work at All I Replaced the. 16 Pictures about My Power Windows and Sunroof Do Not Work at All I Replaced the : 2004 Ford Ranger Wiring Schematic - Wiring Diagram, Repair Guides and also My 2000 explorer sunroof not getting power cant find fuse or diagram.

My Power Windows And Sunroof Do Not Work At All I Replaced The

My Power Windows and Sunroof Do Not Work at All I Replaced the www.2carpros.com

sunroof windows power enlarge

1997 Ford Crown Victoria Fuse Box | Schematic And Wiring Diagram

1997 Ford Crown Victoria Fuse Box | schematic and wiring diagram schematicandwiringdiagram.blogspot.com

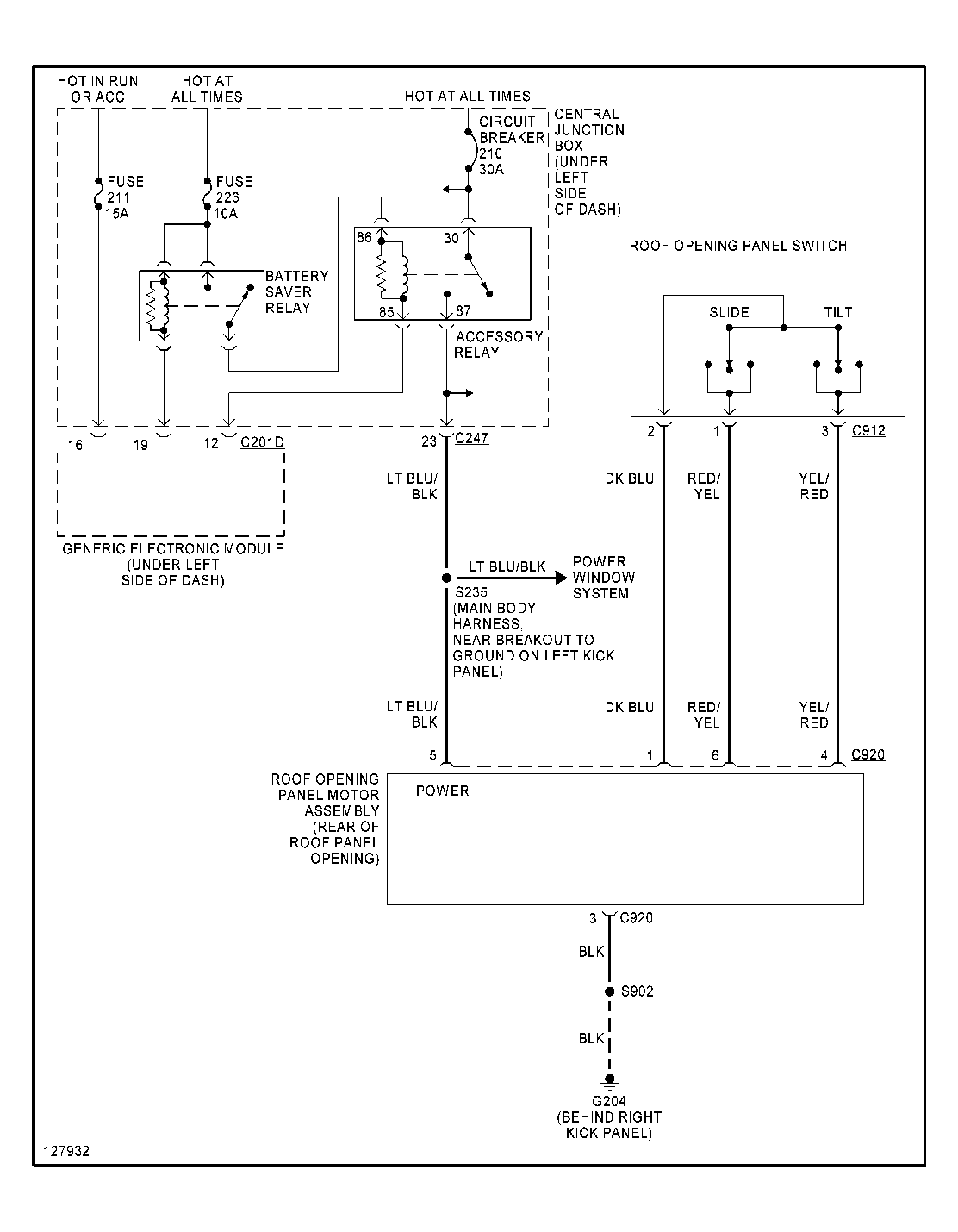
| Repair Guides | Wiring Diagrams | Wiring Diagrams | AutoZone.com

| Repair Guides | Wiring Diagrams | Wiring Diagrams | AutoZone.com www.autozone.com

explorer wiring diagram ford window 2003 1991 diagrams power autozone 1999 ranger body repairguide mountaineer fig database repair

2013 Ford Explorer Wiring Diagram

2013 Ford Explorer Wiring Diagram wiringdiagramsx.blogspot.com

g11

| Repair Guides | Sliding Sunroof (2000) | Sliding Sunroof Wiring

| Repair Guides | Sliding Sunroof (2000) | Sliding Sunroof Wiring www.autozone.com

2000 diagram wiring mpv mazda sunroof sliding autozone 1999 circuit fig

| Repair Guides | Electrical System (2001) | Power Sunroof | AutoZone.com

| Repair Guides | Electrical System (2001) | Power Sunroof | AutoZone.com www.autozone.com

sunroof maxima autozone sroof

2004 Ford Ranger Wiring Schematic - Wiring Diagram

2004 Ford Ranger Wiring Schematic - Wiring Diagram wiringdiagram.2bitboer.com

| Repair Guides | Sliding Sunroof (2000) | Sliding Sunroof Wiring

| Repair Guides | Sliding Sunroof (2000) | Sliding Sunroof Wiring www.autozone.com

2000 diagram sliding sunroof wiring autozone fig

My 2000 Explorer Sunroof Not Getting Power Cant Find Fuse Or Diagram

My 2000 explorer sunroof not getting power cant find fuse or diagram www.justanswer.com

sunroof explorer diagram cant 2000 power fuse blown ford

GMC C6500 WIRING - Auto Electrical Wiring Diagram

GMC C6500 WIRING - Auto Electrical Wiring Diagram electrowiring.herokuapp.com

fuse topkick c5500 c6500 c4500 bcm duramax diagrams fusibles underhood autogenius ersaks

Fuse Box For Lincoln Navigator 2003 - Wiring Diagram

Fuse Box For Lincoln Navigator 2003 - Wiring Diagram cars-trucks24.blogspot.com

navigator

2003 Ford Expedition Parts Diagram - Wiring Diagram

2003 Ford Expedition Parts Diagram - Wiring Diagram jumpstarterdiscount.blogspot.com

expedition

26 2001 Ford Expedition Parts Diagram - Wiring Database 2020

26 2001 Ford Expedition Parts Diagram - Wiring Database 2020 rachelleogyaz.blogspot.com

expedition ford parts 2001 diagram hydraulic oem system

2003 Ford Expedition Parts Diagram - Wiring Diagram

2003 Ford Expedition Parts Diagram - Wiring Diagram jumpstarterdiscount.blogspot.com

expedition diagram xlt cyl

Repair Guides

Repair Guides www.autozone.com

diagram 2005 sunroof wiring repair mazda guide connector locations fig 2004

| Repair Guides | Electrical System (2001) | Power Sunroof | AutoZone.com

| Repair Guides | Electrical System (2001) | Power Sunroof | AutoZone.com www.autozone.com

2001 diagram sunroof power electrical system autozone wiring quest nissan

2001 diagram sunroof power electrical system autozone wiring quest nissan. My power windows and sunroof do not work at all i replaced the. 2004 ford ranger wiring schematic