2004 dodge ram 2500 headlight wiring

Morimoto XB LED Plug And Play Headlights Set With Black Housing For. 11 Pictures about Morimoto XB LED Plug And Play Headlights Set With Black Housing For : 2003 Dodge Ram 1500 Tail Light Wiring Diagram / Amazon.com: APDTY, 02-08 Dodge RAM 1500, 03-09 2500 3500 OEM Fog Light Assembly — iJDMTOY.com and also 2003-2004 Dodge Ram 1500 Ram 2500 Headlight Lamp Clear lens Truck.

Morimoto XB LED Plug And Play Headlights Set With Black Housing For

Morimoto XB LED Plug And Play Headlights Set With Black Housing For www.headlightsdepot.com

headlights morimoto dodge asm headlight

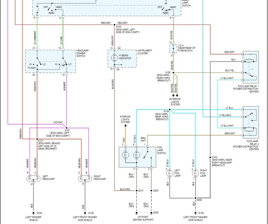
2004 Dodge Ram 1500 7 Pin Trailer Wiring Diagram

2004 Dodge Ram 1500 7 Pin Trailer Wiring Diagram wiringschems.blogspot.com

wiring dodge ram diagram 1500 2004 trailer 1994 2500 radio 2003 engine chart b350 ac portal bridget webster 1998 sample

2003 Dodge Ram 1500 Tail Light Wiring Diagram / Amazon.com: APDTY

2003 Dodge Ram 1500 Tail Light Wiring Diagram / Amazon.com: APDTY diyproject57.blogspot.com

2005 justanswer taillight

Headlights Not Working: 1997 Dodge Ram 2500 Two Wheel Drive

Headlights Not Working: 1997 Dodge Ram 2500 Two Wheel Drive www.2carpros.com

ram dodge 2500 headlights working 1997 sponsored links

Headlight Wiring Diagram For 2001 Dodge Ram

Headlight Wiring Diagram For 2001 Dodge Ram www.chanish.org

Headlight Wiring Diagram For 2001 Dodge Ram

Headlight Wiring Diagram For 2001 Dodge Ram www.chanish.org

dodge wiring diagram ram 1500 wire headlight lights driving 2001 hella trying am bar justanswer ww2 trailer which

02-08 Dodge RAM 1500, 03-09 2500 3500 OEM Fog Light Assembly — IJDMTOY.com

02-08 Dodge RAM 1500, 03-09 2500 3500 OEM Fog Light Assembly — iJDMTOY.com store.ijdmtoy.com

dodge light ijdmtoy

I Have A 2004 Dodge Ram 2500 Diesel And I Lose All Gauages And Get An

I have a 2004 dodge ram 2500 diesel and I lose all gauages and get an www.justanswer.com

dodge ram wiring diagram 1500 instrument 2004 2500 cluster pinout 2005 connector need circuit abs diesel door horn chrysler lite

2003-2004 Dodge Ram 1500 Ram 2500 Headlight Lamp Clear Lens Truck

2003-2004 Dodge Ram 1500 Ram 2500 Headlight Lamp Clear lens Truck www.ebay.com

ram lens headlight 1500 dodge 2003 left truck clear halogen lamp 2004 2500 headlights

2007 Dodge Ram 3500 Trailer Wiring Diagram For Abs Brake

2007 Dodge Ram 3500 Trailer Wiring Diagram For Abs Brake wiringschems.blogspot.com

brake

2004 Dodge Ram 2500 SLT QUAD CAB 5.9L Cummins 24V Diesel A/T 4X4 Nut

2004 Dodge Ram 2500 SLT QUAD CAB 5.9L Cummins 24V Diesel A/T 4X4 Nut www.moparpartssurplus.com

slt auxillary auxiliary cummins 00x80 moparpartssurplus jounce

Wiring dodge ram diagram 1500 2004 trailer 1994 2500 radio 2003 engine chart b350 ac portal bridget webster 1998 sample. Ram lens headlight 1500 dodge 2003 left truck clear halogen lamp 2004 2500 headlights. Morimoto xb led plug and play headlights set with black housing for