2003 pontiac grand am wiring schematic

VW T5 MANUAL - Auto Electrical Wiring Diagram. 17 Pics about VW T5 MANUAL - Auto Electrical Wiring Diagram : 2003 Gmc Yukon Bose Radio Wiring Diagram | schematic and wiring diagram, 2003 Pontiac Grand Am Wiring Diagram - Wiring Schema and also For A 1996 Pontiac Grand Am Se Engine Wiring Diagram - Wiring Diagram.

VW T5 MANUAL - Auto Electrical Wiring Diagram

VW T5 MANUAL - Auto Electrical Wiring Diagram edu-apps.herokuapp.com

immobiliser immobilizer

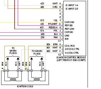
Wiring Diagram For 2004 Pontiac Grand Am

Wiring Diagram For 2004 Pontiac Grand Am blogmaygomes.blogspot.com

pontiac fixya blogmaygomes

2000 Pontiac Grand Am Wiring Diagram - Wiring Forums

2000 Pontiac Grand Am Wiring Diagram - Wiring Forums wiringforums.com

pontiac am grand wiring diagram 2000 gram 2005 questions key px source

2002 Pontiac Grand AM GT Wiring Diagram | Pontiac Montana, Pontiac

2002 Pontiac Grand AM GT Wiring Diagram | Pontiac montana, Pontiac www.pinterest.com

montana

2004 Grand Am Fuel Pump Wiring Diagram

2004 Grand Am Fuel Pump Wiring Diagram adidaseqtsupportadv.com

f700 girling fuse therangerstation

1998 Pontiac Grand Am Schematics, Wireing Diagram For The E

1998 Pontiac Grand Am Schematics, Wireing Diagram for the E www.2carpros.com

grand am pontiac 1998 diagram wireing schematics

2005 Grand Prix Radio Wiring Diagram

2005 Grand Prix Radio Wiring Diagram www.mikrora.com

pontiac trailblazer sunfire impala pinout wiringg durango aztek imageservice equinox dantuckerautos cooler gtp pinoutguide

3400 Sfi Engine Cooling System Diagram - Wiring Diagram

3400 Sfi Engine Cooling System Diagram - Wiring Diagram jumpstarterdiscount.blogspot.com

sfi

2003 Oldsmobile Alero Radio Wiring Diagram - Cars Wiring Diagram

2003 Oldsmobile Alero Radio Wiring Diagram - Cars Wiring Diagram yosalsero.blogspot.com

alero oldsmobile

2004 Pontiac Grand Am Wiring Diagram - Atkinsjewelry

2004 Pontiac Grand Am Wiring Diagram - Atkinsjewelry atkinsjewelry.blogspot.com

bonneville studebaker imageservice

For A 1996 Pontiac Grand Am Se Engine Wiring Diagram - Wiring Diagram

For A 1996 Pontiac Grand Am Se Engine Wiring Diagram - Wiring Diagram wiringideas.blogspot.com

wiring monsoon justanswer

2000 Pontiac Grand Am Wiring Diagram - Wiring Forums

2000 Pontiac Grand Am Wiring Diagram - Wiring Forums wiringforums.com

grand wiring diagram am pontiac 2004 prix headlight 2000 gooddy px source wiringforums

Wiring Schematics

Wiring Schematics wiringschems.blogspot.com

ecosport

2003 Pontiac Grand Am Wiring Diagram - Wiring Schema

2003 Pontiac Grand Am Wiring Diagram - Wiring Schema wiringschema101.blogspot.com

impala grand cobalt

35 2004 Grand Am Wiring Diagram - Wiring Diagram List

35 2004 Grand Am Wiring Diagram - Wiring Diagram List skippingtheinbetween.blogspot.com

grand diagram 2004 wiring am pontiac engine prix ferreira alice category posted

2003 Gmc Yukon Bose Radio Wiring Diagram | Schematic And Wiring Diagram

2003 Gmc Yukon Bose Radio Wiring Diagram | schematic and wiring diagram schematicandwiringdiagram.blogspot.com

1996 bose schematic

2002 Grand Prix Radio Wiring Diagram : 2000 Pontiac Grand Prix Wiring

2002 Grand Prix Radio Wiring Diagram : 2000 Pontiac Grand Prix Wiring diyashtrays.blogspot.com

wiring starter fixya wires

2000 pontiac grand am wiring diagram. 2004 grand am fuel pump wiring diagram. 2005 grand prix radio wiring diagram