2003 jeep wrangler blower wiring diagram

[DIAGRAM] 1999 Jeep Wrangler Blower Wiring Diagram FULL Version HD. 18 Images about [DIAGRAM] 1999 Jeep Wrangler Blower Wiring Diagram FULL Version HD : 2003 Jeep Wrangler Fuse Box Diagram | Fuse Box And Wiring Diagram, 1999 Jeep Wrangler Speaker Wiring Diagram and also [DIAGRAM] 1999 Jeep Wrangler Blower Wiring Diagram FULL Version HD.

[DIAGRAM] 1999 Jeep Wrangler Blower Wiring Diagram FULL Version HD

[DIAGRAM] 1999 Jeep Wrangler Blower Wiring Diagram FULL Version HD lracdiagram.caritasinumbria.it

u0026 screeching

1999 Jeep Wrangler Speaker Wiring Diagram

1999 Jeep Wrangler Speaker Wiring Diagram coveredinsparkles.blogspot.com

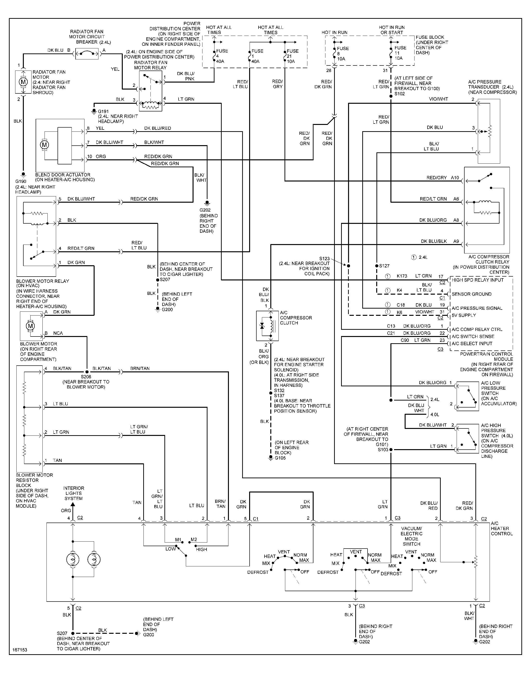
yj patriot schematic fuse relays cj7 lj 2006 easywiring rth3100c e36 painless

2003 Jeep Wrangler Fuse Box Diagram | Fuse Box And Wiring Diagram

2003 Jeep Wrangler Fuse Box Diagram | Fuse Box And Wiring Diagram stickerdeals.net

2000 Jeep Wrangler Blower Motor Wiring Diagram Collection - Wiring

2000 Jeep Wrangler Blower Motor Wiring Diagram Collection - Wiring faceitsalon.com

jeep wrangler blower wiring diagram 2000 motor imageservice cloud tj source

2003 Jeep Grand Cherokee Stereo Wiring Diagram

2003 Jeep Grand Cherokee Stereo Wiring Diagram hestiahelper.blogspot.com

hid harness trac avh 323i kenwood ricardolevinsmorales rp40 imageservice kdc escape pertronix xb

2000 Jeep Cherokee Wiring Diagram - QUENTINSPEAKS

2000 Jeep Cherokee Wiring Diagram - QUENTINSPEAKS quentinspeaks.blogspot.com

diagram

Jeep WRANGLER SPORT BLOWER MOTOR NOT WORKING ON 2006 JEEP

Jeep WRANGLER SPORT BLOWER MOTOR NOT WORKING ON 2006 JEEP www.justanswer.com

blower motor jeep wrangler 2006 diagram working sport power wires going should

Problem With A/C Blower Wiring. - Jeep Wrangler Forum

Problem with A/C Blower Wiring. - Jeep Wrangler Forum www.wranglerforum.com

Jeep Wrangler 2000 Passenger Compartment Electrical Circuit Wiring

Jeep Wrangler 2000 Passenger Compartment Electrical Circuit Wiring www.carfusebox.com

jeep diagram 2000 wrangler compartment passenger wiring circuit electrical carfusebox fuse box

33 2000 Jeep Wrangler Blower Motor Wiring Diagram - Wiring Diagram Database

33 2000 Jeep Wrangler Blower Motor Wiring Diagram - Wiring Diagram Database kovodym.blogspot.com

jeep cherokee grand diagram wiring electrical blower 1997 motor 2000 wrangler laredo resistor alambre planta instalación eléctrica planos version amedee

35 1989 Jeep Wrangler Wiring Diagram - Free Wiring Diagram Source

35 1989 Jeep Wrangler Wiring Diagram - Free Wiring Diagram Source mickygurlz.blogspot.com

wrangler replaced 2carpros

[CH_3684] 2003 Jeep Grand Cherokee Blower Motor Power Feed Circuit Fuse

[CH_3684] 2003 Jeep Grand Cherokee Blower Motor Power Feed Circuit Fuse hemt.astic.anist.xolia.mohammedshrine.org

1999 International 4700 Wiring Diagram - Drivenheisenberg

1999 International 4700 Wiring Diagram - Drivenheisenberg drivenheisenberg.blogspot.com

wiring international 4300 diagram diagrams 4700 1999 2007 prostar engine dt466 truck ac fuse schematic 2003 system box circuit autozone

Jeep Wrangler Ignition Switch Wiring Diagram - Ekerekizul

Jeep Wrangler Ignition Switch Wiring Diagram - Ekerekizul ekerekizul.blogspot.com

ignition

2000 Jeep Wrangler Blower Motor Wiring Diagram - Drivenheisenberg

2000 Jeep Wrangler Blower Motor Wiring Diagram - Drivenheisenberg drivenheisenberg.blogspot.com

wiring fuel jeep diagram cruiser pt motor pump 2000 electrical autozone blower diagrams schematic repair wrangler wire cf guides

HVAC Blower Problems: My HVAC Blower Will Not Blow. I Checked The

HVAC Blower Problems: My HVAC Blower Will Not Blow. I Checked the www.2carpros.com

blower hvac problems

2003 Jeep Grand Cherokee Laredo Wiring Diagram

2003 Jeep Grand Cherokee Laredo Wiring Diagram hestiahelper.blogspot.com

cherokee jeep diagram wiring grand 2004 engine headlight diagrams laredo 2003 1994 radio 1999 schematic 1f80 emerson 1996 2000 thermostat

The Heater Fan Switch On My 2000 Jeep Wrangler Only Works On The Third

The heater fan switch on my 2000 jeep wrangler only works on the third www.justanswer.com

jeep wrangler heater 2000 fan switch works wiring diagram blower relay

Yj patriot schematic fuse relays cj7 lj 2006 easywiring rth3100c e36 painless. 2003 jeep wrangler fuse box diagram. Wiring international 4300 diagram diagrams 4700 1999 2007 prostar engine dt466 truck ac fuse schematic 2003 system box circuit autozone